ビル建築の多様化に伴う変革の波は空調設備分野にも及びさまざまな要求に対し、
ニッケイは豊富なデータや経験を駆使し、より高度な独創技術を通して変革に対応しております。
また、空調関連機器の設計から生産、アフターサービスに至る
一貫した姿勢は多方面から高い信頼を得ております。
OA機器の数、オフィスワーカーの人数にあわせ設置し、
風向風量の調整で一人一人の好みにあった空調を可能にしました。
トルネード旋回流により静かで快適なオフィス空間を演出します。
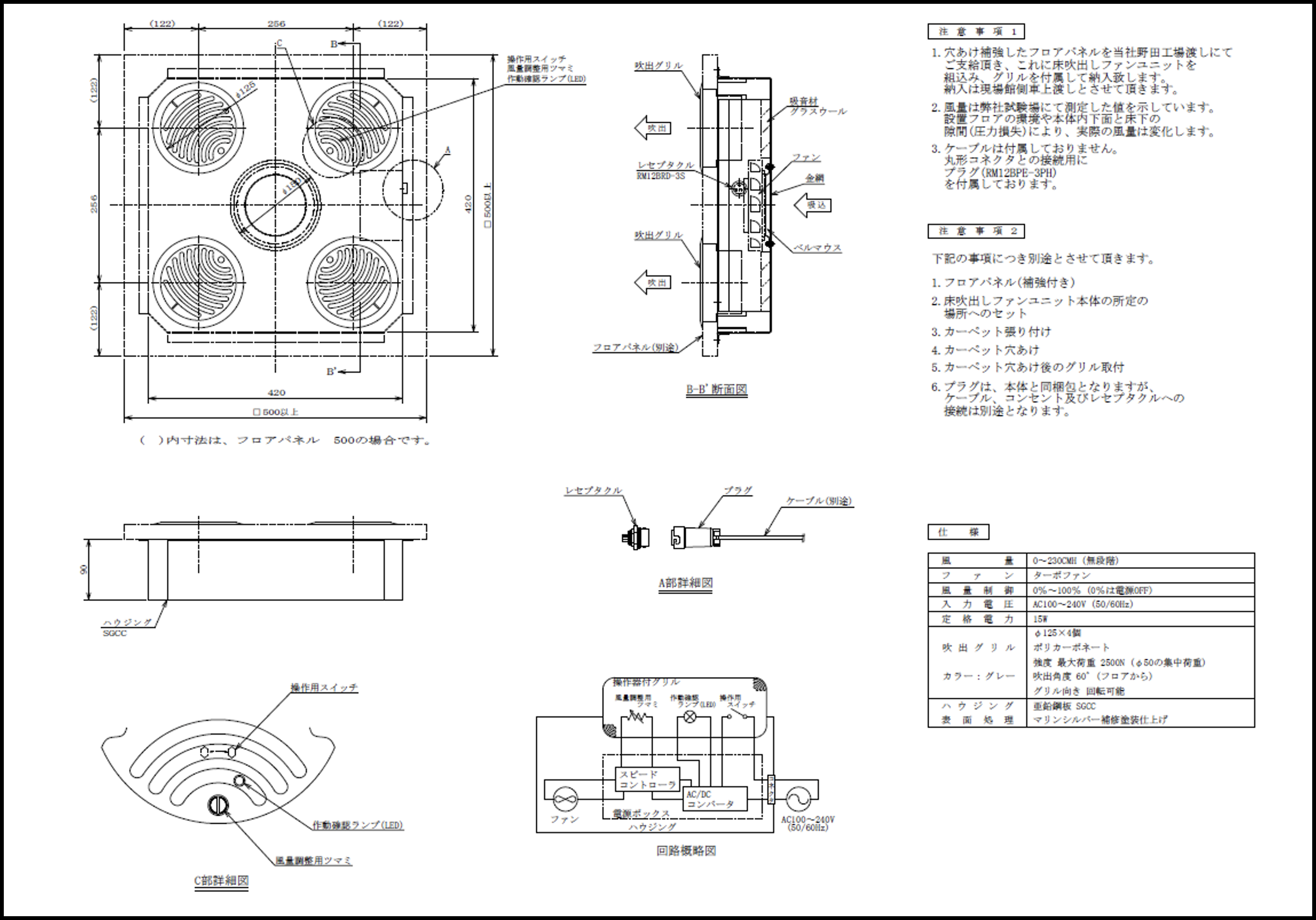
パーソナル用(TAF-125型)
グリルを回転させて風向が選べる
スピードコントローラーによる風量調整
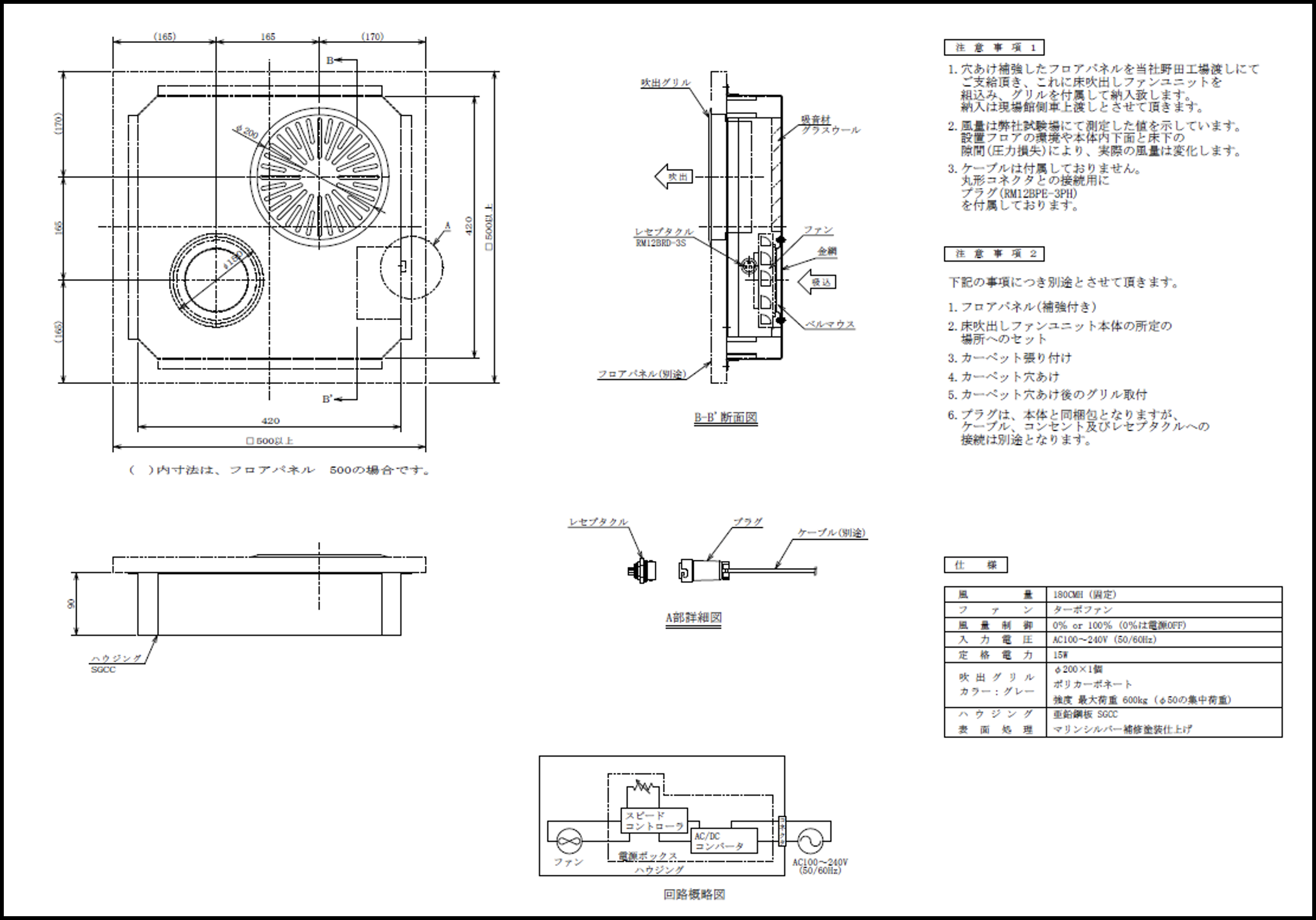
アンビエント用(TAF-200型)
誘引力の大きな旋回流型グリル



注)